Description
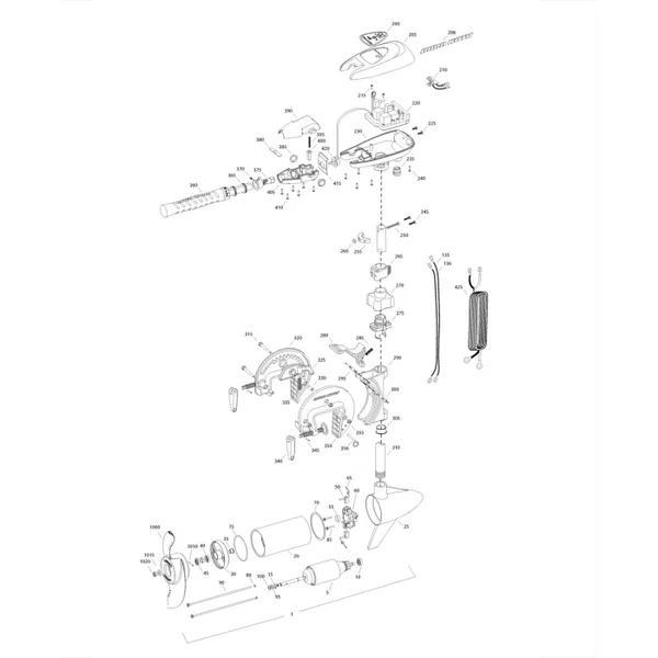
Pièces détachées pour moteur Traxxis 70 Maximizer Vous trouverez ci-dessous les concordances entre les numéros des pièces sur le schéma et les références Minn Kota :
1 : 2097063 12V Motor 36” FW
5: 2-100-119 Armature assembly
10: 140-010 Bearing
15: 788-015 Retaining ring
20: 2-200-005 Center housing assemby
25: 421-065 Brush end housing assembly
30: 2-400-101 Plain end housing assembly
35: 144-049 Flange bearing
40: 880-003 Seal
45: 880-006 Seal with shield
50: 188-037 Brush
55: 725-050 Paper tube
60: 738-036 Brush plate assembly
65: 975-040 Brush spring
70: 337-036 Gasket
75: 701-081 O-ring, motor
80: 701-008 O-ring, thru-bolt
85: 830-007 Screw, 8-32
90: 830-008 Thru-bolt
95: 990-067 Washer, steel
100: 990-070 Washer, nylatron
135: 640-004 Leadwire, black
136: 640-105 Leadwire, red
200: 2065668 Decal, c-box cover
205: 2060295 C-box cover
208: 2325665 Decal – MinnKota
210: 2074071 Battery meter, 12v FW
215: 3043427 Screw, #8 x 7/8 SS
220: 2184007 Control board, 12v
225: 2303434 Screw, #8-30 x 5/8 SS
230: 2062501 Control box, VARS, FW
235: 2062905 Strain relief
240: 2303412 Screw, #6 x 5/8 SS
245: 2263434 Screw, #8 x 1 SS
250: 2383407 Screw, #10-24 x 2 SS
255: 2061515 Collar, c-box
260: 2383124 Nut, 10-24, nylock, SS
265: 2991521 Cam lock/depth collar assy
270: 2060100 Knob, steering tension, soft
275: 2068400 Collet
280: 2064200 Lock arm
285: 2062701 Spring, lock arm
290: 2061821 Hinge
295: 2062602 Pin, lock, Zinc
300: 2062602 Pin, lock, Zinc
305: 2037301 Bushing, hinge
310: 2032053 Tube 36”
315: 2063500 Bolt 1/4-20 x 2 3/8”, Zinc
320: 2771941 Bracket, right, FW
325: 2067905 Cam deactivator
330: 2067306 Bushing, dowel 1/4 x 1/2
335: 2062700 Spring, cam deactivator
340: 2050925 Handle, clamp
345: 2052605 Roll pin
350: 2771947 Bracket, left, FW
355: 2263104 Nut, 1/4-20, nylock, Zinc
356: 2062604 Pin, stop
360: 2990456 Grip/handle assy, VARS [360-375]
365: 2060015 Bearing, handle
370: 2063405 Screw, #6 PFH SS
375: 2884092 Yoke / spider assy, VARS
380: 2302742 Spring, detent, off
385: 2060005 Bearing, handle pivot
390: 2060900 Handle pivot, top
395: 2302745 Spring, release button
400: 2063700 Button, release
405: 2060905 Handle pivot, bottom
410: 2303412 Screw, #6 x 5/8 SS
415: 2062715 Spring, handle pivot
420: 2061700 Washer, pot holder
425: 2992523 Leadwire assy, includes [235]
1000: 2091160 Propeller WW2
1010: 2092600 Drive pin, small
1015: 2151726 Washer, prop, small
1020: 2053101 Nut, nylock, prop, small
Manuel d’utilisateur Pièces détachées pour moteur Traxxis 70 Maximizer Eclaté moteur Minn Kota Traxxis 70 (370.02 kB) Télécharger


Avis
Il n’y a pas encore d’avis.